Các thông số kỹ thuật:


Các thông số kích thước sản phẩm có thể tùy chỉnh như bảng dưới:

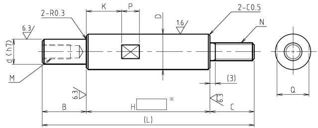
Trục 1 đầu bậc có 1 đầu ren trong, 1 đầu ren ngoài và rãnh siết cờ lê hỗ trợ định vị hoặc lắp cụm chi tiết dễ dàng. Một đầu ren trong và một đầu ren ngoài giúp linh hoạt trong lắp ráp kết hợp với rãnh siết cờ lê giúp dễ dàng tháo lắp. Phù hợp với các ứng dụng như truyền động cơ khí, xi lanh, thiết bị tự động hóa và cơ cấu liên kết cơ khí.
Đánh giá
Chưa có đánh giá nào.