Các thông số kỹ thuật:


Các thông số kích thước sản phẩm có thể tùy chỉnh như bảng dưới:

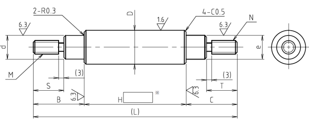
Trục 2 đầu bậc có 2 đầu ren ngoài được thiết kế với hai đầu bậc để định vị chính xác, đồng thời hai đầu ren ngoài cho phép liên kết dễ dàng với các chi tiết khác bằng bu lông hoặc đai ốc, sản phẩm thích hợp sử dụng trong máy móc công nghiệp, thiết bị tự động hóa và các hệ thống truyền động cần độ bền và kết nối chắc chắn.
Đánh giá
Chưa có đánh giá nào.