Các thông số kỹ thuật:


Các thông số kích thước sản phẩm có thể tùy chỉnh như bảng dưới:

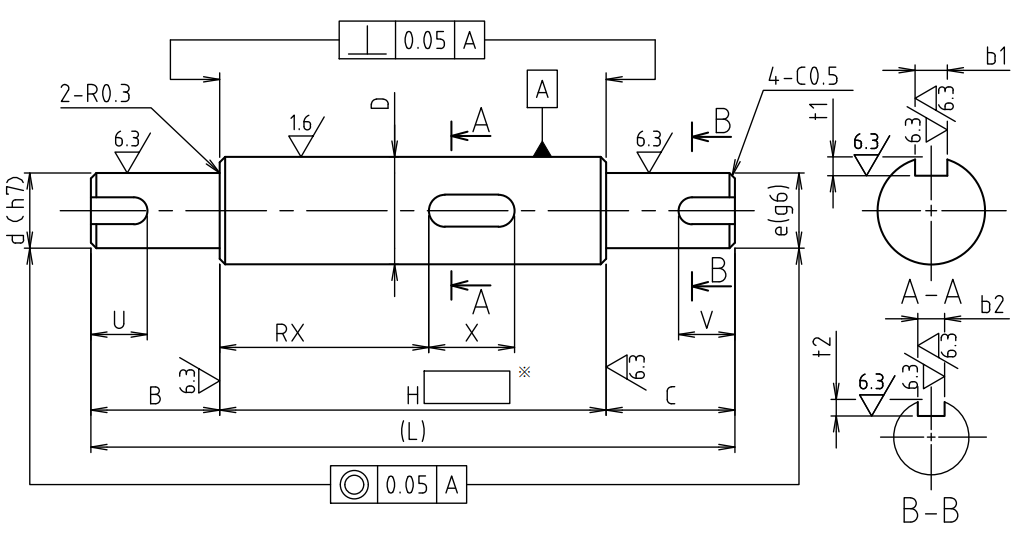
Trục 2 đầu bậc có rãnh then ở 2 đầu bậc được thiết kế để định vị chắc chắn và truyền mô-men xoắn hiệu quả thông qua rãnh then. Hai đầu bậc giúp lắp ghép chính xác, phù hợp cho máy móc công nghiệp, thiết bị tự động hóa và hệ thống truyền động yêu cầu độ bền và ổn định cao.
Đánh giá
Chưa có đánh giá nào.