Các thông số kỹ thuật:


Các thông số kích thước sản phẩm có thể tùy chỉnh như bảng dưới:

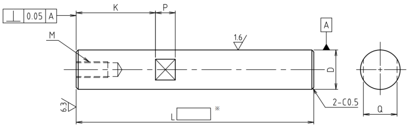
Trục thẳng có 1 đầu ren trong và rãnh siết cờ lê được thiết kế để truyền lực hoặc định vị, với đầu ren trong dùng để bắt bu lông và rãnh siết giúp thao tác lắp ráp dễ dàng hơn. Thường dùng trong các hệ thống cơ khí, máy móc công nghiệp và thiết bị tự động hóa.
Đánh giá
Chưa có đánh giá nào.