Các thông số kỹ thuật:


Các thông số kích thước sản phẩm có thể tùy chỉnh như bảng dưới:

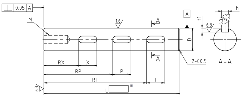
Trục thẳng có 1 đầu ren trong, có rãnh then dùng để truyền lực và mô-men xoắn trong các cơ cấu máy. Đầu ren trong cho phép cố định bằng bu lông, trong khi rãnh then hỗ trợ liên kết với bánh răng, puly hoặc khớp nối. Ứng dụng cho máy móc công nghiệp và thiết bị truyền động cần độ chính xác cao.
Đánh giá
Chưa có đánh giá nào.