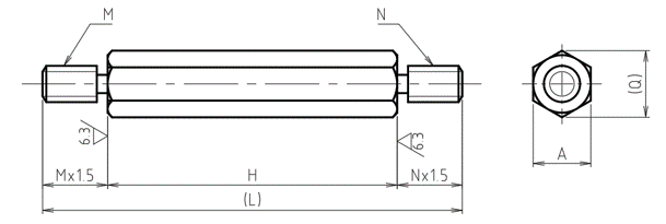
六角棒 両端おねじ付き

カテゴリー: