Các thông số kỹ thuật:


Các thông số kích thước sản phẩm có thể tùy chỉnh như bảng dưới:

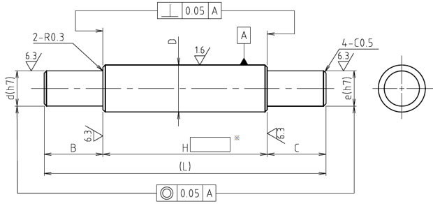
Trục 2 đầu bậc được thiết kế với 2 đầu bậc nhằm định vị chính xác và gia tăng khả năng chịu lực trong các cơ cấu máy. Sản phẩm thường được sử dụng trong máy móc công nghiệp, thiết bị tự động hóa và các hệ thống truyền động cần độ bền và ổn định cao.
Đánh giá
Chưa có đánh giá nào.